軸向柱塞泵
A2FO32/61R-PBB05 A2FO32/61R-VBB05產品概述
產品特性:
用于開式回路中所有應用領域的標準定量泵(液壓泵)
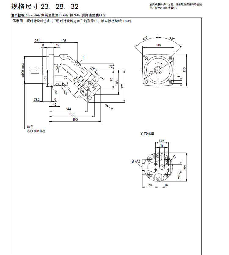
油口都是SAE法蘭或螺紋
軸端由平鍵或花鍵連接
技術參數:
排量規格為32ml/r;
額定壓力35Mpa;
峰值壓力40Mpa;
轉速范圍500-3500r/min;
軸向柱塞泵A2FO32/61R-PBB05主要相近型號包括:
A2FO32/61R-PAB05 A2FO32/61R-PBB05 A2FO32/61R-PPB05 A2FO32/61R-PZB05
A2FO32/61R-VAB05 A2FO32/61R-VBB05 A2FO32/61R-VPB05 A2FO32/61R-VZB05
A2FO32/61L-PAB05 A2FO32/61L-PBB05 A2FO32/61L-PPB05 A2FO32/61L-PZB05
A2FO32/61L-VAB05 A2FO32/61L-VBB05 A2FO32/61L-VPB05 A2FO32/61L-VZB05
該泵常作為吊車臂架泵,罐車、砼車液壓泵,徐工、三一重工等工程機械車輛上常使用。





