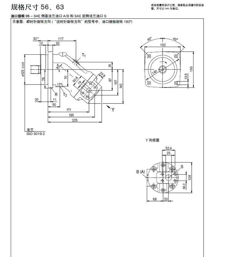
軸向柱塞泵
A2FO63/61R-PPB05是一種定量柱塞泵,產品具有大彎曲(達40度彎曲角度)的柱塞單元。該泵排量固定,不會隨著工作壓力而變化。
軸向柱塞泵
A2FO63/61R-PPB05相似產品型號很多,包括如下:
A2FO63/61L-PAB05 A2FO63/61L-PPB05 A2FO63/61L-PZB05
A2FO63/61R-PAB05 A2FO63/61R-PBB05 A2FO63/61R-PPB05 A2FO63/61R-PZB05
A2FO63/61R-VAB05 A2FO63/61R-VBB05 A2FO63/61R-VPB05 A2FO63/61R-VZB05
A2FO63/61L-VAB05 A2FO63/61L-VBB05 A2FO63/61L-VPB05 A2FO63/61L-VZB05

力士樂A2FO系列斜軸式軸向柱塞泵/馬達特點:
1、采用斜軸式設計的定量軸向柱塞泵,適用于開路中得液壓傳動裝置;
2、曲軸設計更適用于移動或者固定應用領域;
3、流量與傳動速度和排量成比例;
4、專門驅動軸軸承設計,為特定應用領域提供可靠的使用壽命;
5、高功率;
6、緊湊的設計;
7、全面高效率;
8、壓力范圍廣;



