REXROTH力士樂A10VSO系列恒壓變量柱塞泵
A10VSO71DR/31R-PPA12N00產品介紹
該型號的泵也稱為恒壓泵,由于其工作壓力可以通過泵上的控制閥設定一個最高壓力,當達到該壓力時,泵的壓力不會再增長,在
達到該壓力前,泵的流量一直是恒定的,當壓力接近該壓力變量點時,泵的排量開始不斷減少,直到接近于零,因為稱其為恒壓變量泵。
該泵屬于A10VSO系列中排量規格為71的產品之一,因其工作壓力可設定為恒定狀態,也稱其為
恒壓變量柱塞泵。該泵常用于液壓
站,行走機械、工程機械、礦山機械等。在產品內部結構上該泵采用直軸斜盤式結構,內部主要部件包括柱塞、缸體、主軸、配油盤、
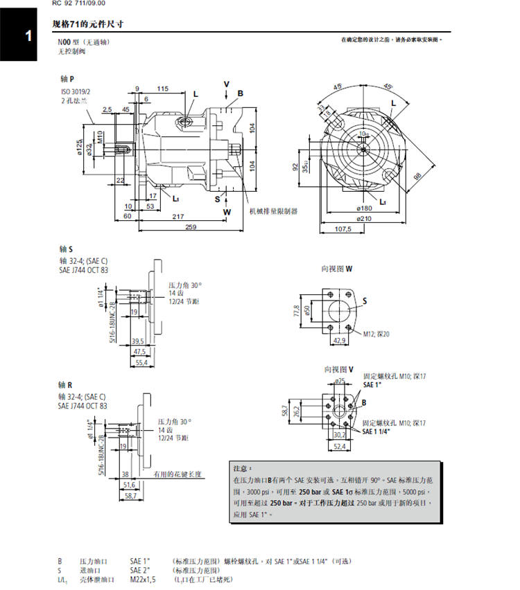
軸承、變量機構等。該泵的安裝尺寸有SAE英制標準尺寸、DIN標準尺寸、以及國標尺寸可供選擇,安裝形式相對靈活。
技術參數如下:
產品額定轉速:500-3000r/min;
額定工作壓力:28Mpa;
峰值工作壓力:35Mpa;
泵的額定排量:71ml/r;
泵的容積效率:大于等于95%;
控制方式:DR恒壓變量控制;
產品實物圖如下

產品型號定義如下圖


A10VSO28DFR1/31R-PPA12N00型號說明:
A10VSO為恒壓變量柱塞泵的型號;
71代表排量為71ml/r;
DRG代表控制方式為遠程恒壓控制;
31代表系列結構;
R 為順時針轉向(正轉);
P(第一個P)代表軸伸形式為平鍵軸;
P(第二個P)代表產品密封材料丁青橡膠;
12 代表后蓋形式;
N00 代表本產品無通軸選項;
恒壓變量柱塞A10VSO71DR/31R-PPA12N00相關型號規格如下
A10VSO71DR/31R-PPA12NOO
A10VSO71DR/31R-PSC12K01
A10VSO71DR/31R-PSC12N00
A10VSO71DR/31R-VSC12N00
A10VSO71DR/31R-VSC62N00
L10VSO71DR/31R-PPA12N00
A10VSO71DR/31L-PPA12N00
A10VSO71DR/31R-PSC12KB5
A10VSO71DR/31R-VSC12K07
A10VSO71DRG/31R-PPA12N00





更多關于REXROTH系列恒壓變量柱塞泵A10VSO71DR/31R-PPA12N00產品型號、產品性能、產品用途、產品安裝方式、結構尺寸等
請聯系我公司銷售人員。